2018年3月数控铣工技师模拟试题及答案卷11
试题展示2018年3月数控铣工技师模拟试题及答案卷11数控铣工职业资格技师最新最全,免费模拟练习
2018年数控铣工模拟试题及答案由云习网提供
职业资格下载地址 免费练习 。
1、(单选题)下列宏程序调用语句中,()是正确的。
A G65P1010B2.0A1.0M6.0,G65P1010L2J4.0I6.0,G65P1010L3A1.0B6.0G5.0,G65P1010K7.0L6.0M3.0
正确答案:A
2、(单选题)关于创新的论述,正确的是()。
A 创新就是出新花样
B 创新就是独立自主
C 创新是企业进步的灵魂
D 创新不需要引进外国的新技术
正确答案:C
3、(多选题)机床主轴发热,可能的原因有()
A 主轴轴承损伤
B 主轴轴承预紧力过大
C 润滑油脏或有杂质
D 机床工作时间长
E 工作电压不稳定
正确答案:ABC
4、(单选题)为保证人体触及漏电设备金属外壳时不会触电,通常采用( )的安全措施。
A 增加熔断器
B 增加断路器
C 保护接地或接零
D 更换接触器
正确答案:C
5、(多选题)下列说法正确的是()。
A 数控铣床平口钳固定钳口限制了工件4个自由度
B 数控铣床平口钳固定钳口限制了工件5个自由度
C 用一个平面对工件进行定位,可限制工件的4个自由度
D 用一个平面对工件进行定位,可限制工件的3个自由度
E 一个物体在空间如果不加任何约束限制,应有6个自由度
正确答案:ADE
6、(判断题)()遵纪守法是指从业人员要遵守职业纪律和职业活动的法律、法规,保守国家机密,不泄露企业情报信息。
正确答案:正确
7、(单选题)下列宏程序调用语句中,()是正确的。
A G65P1010B2.0A1.0M6.0,G65P1010L2J4.0I6.0,G65P1010L3A1.0B6.0G5.0,G65P1010K7.0L6.0M3.0
正确答案:A
8、(单选题)下列宏程序调用语句中,()是正确的。
A G65P1010B2.0A1.0M6.0
B G65P1010L2J4.0I6.0
C G65P1010L3A1.0B6.0G5.0
D G65P1010K7.0L6.0M3.0
正确答案:A
9、(单选题)锂基润滑脂适用于( )的润滑。
A 高温重载
B 精密仪器
C 高速精密机床的滚动轴承
D 高速齿轮
正确答案:A
10、(多选题)以下运用人本原理原则的是( )。
A 动力原则
B 能级原则
C 激励原则
D 弹性原则
E 安全第一原则
正确答案:ABC
11、(单选题)下列宏程序调用语句中,( )是正确的。
A G65P1010B2.0A1.0M6.0
B G65P1010L2J4.0I6.0
C G65P1010L3A1.0B6.0G5.0
D G65P1010K7.0L6.0M3.0
正确答案:A
12、(判断题)FANUC系统中,程序段M98P51002的含义是“将子程序号为5100的子程序连续调用2次”。
正确答案:错误
13、(多选题)通常车间生产过程包含以下 ( ) 几个组成部分。
A 基本生产过程
B 产品营销过程
C 辅助生产过程
D 生产技术准备过程
E 生产服务过程
正确答案:ACDE
14、(判断题)()遵纪守法是指从业人员要遵守职业纪律和职业活动的法律、法规,保守国家机密,不泄露企业情报信息。
正确答案:正确
15、(判断题)若切削用量小,工件表面没有硬皮,铣床有间隙调整机构,则采用顺铣较有利。
正确答案:正确
16、(单选题)准备功能G代码中,能使机床作某种运动的一组代码是()。
A G00G01G02G03G40G41G42
B G00G01G02G03G90G91G92
C G00G04G18G19G40G41G42
D G01G02G03G17G40G41G42
正确答案:A
17、(单选题)刀具正常磨损与切削速度v、进给量f和切削深度ap有关,对刀具磨损影响从大到小的是()。
A v→f→ap
B f→v→ap
C ap→v→f
D v→ap→f
正确答案:A
18、(判断题)若切削用量小,工件表面没有硬皮,铣床有间隙调整机构,则采用顺铣较有利。
正确答案:正确
19、(单选题)在铣削一个XY平面上的整圆时,圆的起点、终点为(-30,O),圆心点为(30,O),半径为60mm,圆的旋转方向为顺时针,则铣削圆弧的指令为()。
A G17G90G02X-30.0YOR-50.0F50
B G17G90G03X-30.0Y0R-50.0F50
C G17G90G02X-30.0Y0I60J0F50
D G18G90G02X30.0Y0I60JOF50
正确答案:C
20、(主观题)简述如何做好质量责任制工作?
正确答案:(1)必须明确质量责任制的实质是责、权、利三者的统一。|(2)要按照不同层次、不同对象、不同业务来制定各部门和各级各类人员的质量责任制。|(3)质量责任制规定的任务与责任要尽可能做到具体化、数据化,以便于进行考核。|(4)在制定企业的质量责任制时,要由粗到细,逐步完善。|(5)为了切实把质量责任制落到实处,企业必须制定相应的质量奖惩措施。
21、(主观题)试述影响工件表面粗糙度的因素及改善措施。|

|
正确答案:(1)影响因素:工件材料、切削用量、刀具几何参数、切削液。|(2)改善措施:|①工件材料:对工件进行调质或正火处理后再加工,能使加工表面粗糙度值明显减小。|②切削用量:一般情况下在低速或高速切削时,不会产生积屑瘤,加工后表面粗糙度值较小,因此通常采用低速或高速加工塑性材料。另外,减小进给量可有效减小表面粗糙度值。|③刀具几何参数:适当增大刀具前角,使刀具易于切入工件,塑性变形小,有利于减小表面粗糙度值。适当增大刀具后角,减小后刀面与加工表面间的摩擦和挤压,有利于减小表面粗糙度值。|④切削液:切削液的冷却和润滑作用均对减小加工表面的粗糙度值有利,当切削润滑液中含有表面活性物质如硫、氯等化合物时,润滑性能增强,从而减小了加工表面的粗糙度值。
22、(多选题)数控机床日常保养中,( )部位需不定期检查。
A 各防护装置
B 废油池
C 排屑器
D 冷却油箱
E 数控系统电池
正确答案:BCD
23、(主观题)数控机床双螺母丝杠的间隙消除通常有哪几种方式?如何调整?
正确答案:1、垫片调整式:调整垫片厚度使其两侧螺母产生轴向位移,即可消除轴向间隙和产生预紧力。|2、螺纹调整式:由左右螺母和两个圆螺母(调整螺母和锁紧螺母)组成,调整时,只要拧紧调整螺母,即可消除轴向间隙和产生预紧力。|3、齿差调整式:由凸缘上带齿轮(齿数相差1个)的两个螺母和相应内齿圈组成。调整时,脱开内齿圈,使两个螺母相对于套筒同方向转过相同的齿数,然后合上内齿圈。两螺母轴向相对位移发生变化,即可消除轴向间隙和产生预紧力。
24、(单选题)在数控生产技术管理中,除对操作、刀具、维修人员的管理外,还应加强对( )的管理。
A 编程人员
B 职能部门
C 采购人员
D 后勤人员
正确答案:A
25、(单选题)以下对于质量检验计划的表述中有误的一项是()。
A 检验计划是产品生产者对整个检验和实验工作进行的系统策划和总体安装的结果
B 编制质量检验计划的目的是指导检验人员完成检验工作,保证检验工作的质量
C 质量检验计划必须由质量管理部门或质量检验的主管部门负责,由检验人员编制
D 编制检验计划要充分体现检验的目的并要综合考虑检验成本
正确答案:C
26、(主观题)试述影响工件表面粗糙度的因素及改善措施。
正确答案:1、影响因素:工件材料、切削用量、刀具几何参数、切削液。|2、改善措施:|(1)工件材料:对工件进行调质或正火处理后再加工,能使加工表面粗糙度值明显减小。|(2)切削用量:一般情况下在低速或高速切削时,不会产生积屑瘤,加工后表面粗糙度值较小,因此通常采用低速或高速加工塑性材料。另外,减小进给量可有效减小表面粗糙度值。|(3)刀具几何参数:适当增大刀具前角,使刀具易于切入工件,塑性变形小,有利于减小表面粗糙度值。适当增大刀具后角,减小后刀面与加工表面间的摩擦和挤压,有利于减小表面粗糙度值。|(4)切削液:切削液的冷却和润滑作用均对减小加工表面的粗糙度值有利,当切削润滑液中含有表面活性物质如硫、氯等化合物时,润滑性能增强,从而减小了加工表面的粗糙度值。
27、(单选题)当压下数控机床操作面板上“EMERGENCY STOP”按钮时,机床出现( )。
A 进给停止
B 主轴转动停止
C 暂停
D 急停
正确答案:D
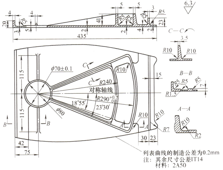
28、(主观题)加工如图所示薄壁支架零件,毛坯与零件相似,各处均有单边加工余量5mm。试根据零件特点制定铣削加工工艺措施,并编写工艺过程。|
|
正确答案:1、工艺措施:|(1)针对零件壁薄的特点,采用专用过渡真空平台,利用真空吸紧工件,夹紧面积大,提高薄板件的装夹刚性。|(2)针对加工中易变形的特点,安排粗、精加工及钳工矫形。|(3)采用小直径铣刀加工,减小切削力。|(4)先铣加强肋,后铣腹板,最后铣外形及Φ70mm孔,有利于提高刚性,防止振动。|(5)为解决缺少定位基准的问题,在毛坯右侧对称轴线处增加一工艺凸耳,并在该凸耳上加工一工艺孔,采用“一面两孔”(底面、Φ70mm孔、工艺孔)定位。|2、工艺过程:|(1)钳工:划两侧宽度线。|(2)普通铣床:铣两侧宽度。|(3)钳工:划底面铣切线。|(4)普通铣床:铣底平面。|(5)钳工:矫平底平面、划对称轴线和定位孔。|(6)数控铣床:粗铣腹板厚度型面轮廓。|(7)钳工:矫平底面。|(8)数控铣床:精铣腹板厚度、型面轮廓及内外形。|(9)普通铣床:铣去工艺凸耳。|(10)钳工:矫平底面、表面光整、尖边倒角。
29、(多选题)硬质合金是目前常用的一种刀具材料,其中对于YT类硬质合金()。
A 这类硬质合金韧性较好,但硬度和耐磨性较差
B 这类硬质合金韧性较差,但硬度和耐磨性较好
C 适用于加工钢料等韧性材料
D 常用牌号有YTYTYT5,依次适用于粗加工、半精加工和精加工
E 牌号中的数字表示碳化钛含量的百分数,含量越高,则耐磨性较好,韧性越低
正确答案:BCE
30、(多选题)下列()属于点位控制的数控机床。
A 数控钻床
B 加工中心
C 数控冲床
D 数控车床
E 数控铣床
正确答案:BDE