2018年3月加工中心操作工高级技师模拟试题及答案卷4
试题展示2018年3月加工中心操作工高级技师模拟试题及答案卷4加工中心操作工职业资格高级技师最新最全,免费模拟练习
2018年加工中心操作工模拟试题及答案由云习网提供
职业资格下载地址 免费练习 。
1、(主观题)识图、工艺题:|(1)此件长、宽、高的最大尺寸是多少?并将主要尺寸换算成公制。|(2)此图的制图比例是多少?根据何在?哪一部分有位置公差要求?|(3)哪一个尺寸要求最精确?如果精加工,可以磨削吗?|(4)如果该零件大量生产,你认为如何组织生产加工?|(5)此图属第几角投影?根据何在?分别是哪三个视图?
正确答案:
2、(单选题)当轴的转速较低,且只承受较大的径向载荷时,宜选用()。
A 深沟球轴承
B 推力球轴承
C 圆柱滚子轴承
D 圆锥滚子轴承
正确答案:D
3、(单选题)齿轮传动的总等效惯量随传动级数()。
A 增加而减少
B 增加而增加
C 减小而减小
D 变化而不变
正确答案:A
4、(单选题)在直线插补指令G01中,没有指定F时,进给速度为系统设定的()速度。
A 随机取样
B 前一运行程序
C 最大加工
D 最小加工
正确答案:C
5、(多选题)精切削平面时,宜选用的加工条件为()。
A 较大进给速度
B 较大切削速度
C 较大主轴转速
D 较小切削速度
E 较小进给速度
正确答案:BE
6、(判断题)加工箱体类零件平面时,应选择数控车床进行加工。
正确答案:错误
7、(多选题)以下属于专用夹具的选项是()。
A 车床夹具
B 钻床夹具
C 三爪卡盘
D 铣床夹具
正确答案:ABD
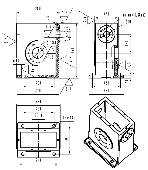
8、(主观题)加工的箱体WS120型蜗杆减速器的内孔,孔的精度要求较高,, Ra=1.6μm,如图所示,材料HT200。当钻、镗、铰削的机床转速、进给量相同时,根据加工材料的性质,生产特点(批量),切削特点来选择钻、镗、铰孔切削部分合金刀片材料。
正确答案:(1)钻削(刀头)刀具部分,由于是粗加工,切削深度较大,刀具承受的切削力较大,切削速度不很高,同时材料的组织不均匀,有砂眼、气穴的可能,再加上合金刀片的刃口在切削加工铸铁行程中欠锋利,挤刮现象较严重,所以选用强度较高,抗冲击性和抗振性能及耐磨性均较好的钨钴类硬质合金(材料牌号为YG8)|(2)镗孔刀具部分,由于孔径比钻孔尺寸略大,根据V=(πDn)/1000,刀刃处切削速度会高于钻孔刀具部分,切削深度比钻孔的切削深度较小,切削过程相对稳定些,为了提高刀具的耐用度,选用硬度,耐磨性及耐热性均较好,且不用重磨切削角度可转位的钨钴类硬质合金机夹刀片(材料牌号为YG6,型号为31005V)。|(3)铰孔刀具部分,由于是稳定尺寸部分刀刃处的切削速度相对钻削和镗削时均更高,切削深度较小,所以要求耐磨性和耐热性也要相对钻削和镗削时更高,才能提高刀具的耐用度,从而保证尺寸精度,因而选择钨钴类硬质合金,牌号为YG3。
9、(多选题)由于()和()不重合而产生的加工误差,称为基准不重合误差。
A 加工基准
B 工序基准
C 定位基准
D 设计基准
E 工艺基准
正确答案:CD
10、(多选题)关于加工中心主轴零件图以下说法正确的是:()。
A 阶梯轴中两个圆柱的轴线不重合就不能装入两个轴线重合的圆柱的阶梯孔中去,于是,对两圆柱的轴线就有了圆柱度的要求
B 阶梯轴中两个圆柱的轴线不重合就不能装入两个轴线重合的圆柱的阶梯孔中去,于是,对两圆柱的轴线就有了重合度的要求
C 阶梯轴中两个圆柱的轴线不重合就不能装入两个轴线重合的圆柱的阶梯孔中去,于是,对两圆柱的轴线就有了同轴度的要求
D 退刀槽和越程槽的尺寸标注可标注成:槽宽×槽深
E 退刀槽和越程槽的尺寸标注可标注成:槽深×槽宽
正确答案:CD
11、(单选题)数控机床的数控装置包括()。
A 光电读带机和输入程序载体
B 步进电机和伺服系统
C 输入、信息处理和输出单元
D 位移、速度传感器和反馈系统
正确答案:D
12、(多选题)提高生产率的主要途径:()。
A 采用先进的毛坯制造工艺和方法,减小加工余量
B 采用先进的机床设备及自动化控制系统
C 粗加工时采用强力切削
D 精加工时采用高速切削
E 减小加工余量
正确答案:ABCDE
13、(主观题)简述电火花加工与超声加工的相同点和不同点。
正确答案:电火花加工与超声加工的相同点:从形式上两者相似。电火花加工是利用与型腔形状相吻合的工具电极加工型腔;超声波加工是利用与型腔形状相吻合的磨头加工型腔。|不同点:(1)电火花加工是通过电腐蚀加工零件;超声加工是通过磨头以超声频率震动,带动磨料加工零件;(2) 电火花加工的加工对象是导电的金属,硬度没有要求;超声加工的加工材料脆性越大越好,无论是金属还是非金属。
14、(判断题)教育对社会发展的作用,是通过促进生产力发展来实现
正确答案:错误
15、(多选题)掉电保护的电流大小,与()有关。
A 单片机的晶体频率的高低
B 程序软件的编写
C 主电源供电电压的高低
D 计数器的状态
E 受载负荷的状态
正确答案:AB
16、(单选题)在HCNC-21T系统的切削循环指令(G82)中,地址F后的数值是指加工()。
A 主轴线速度值
B 螺纹导程值
C 主轴转动速度值
D 刀具线速度
正确答案:B
17、(单选题)机电一体化系统具有(),具有适应面广的多种复合功能。
A 弹性
B 刚性
C 韧性
D 柔性
正确答案:D
18、(多选题)在数控车床上加工时,如刀尖安装高度高时对工作角度的影响是()。
A 前角变大
B 前角变小
C 后角变大
D 后角变小
E 主偏角变大
正确答案:BC
19、(主观题)加工中心有什么结构特点?
正确答案:(1)机床的刚度高、抗振性好。|(2)机床的传动系统结构简单,传动精度高、速度快。|(3)主轴系统结构简单,无齿轮箱变速系统,采用交流主轴伺服系统,速度高,功率大,调速范围宽,并可无级变速。|(4)导轨采用耐磨材料和新结构,能长期保持导轨的精度,在高速重切削下,保证运动部件不振动,低速进给时不爬行及运动中的高灵敏度。|(5)设置有刀库和换刀机构,是加工中心与数控铣床和数控镗床的主要区别,使加工中心的功能和自动化加工的能力更强。刀具可通过换刀机构自动调用和更换。|(6)工作台可回转和分度,适合加工箱体零件。
20、(单选题)如果省略了重复调用子程序的次数,则认为重复次数为()。
A 0次
B 1次
C 99次
D 100次
正确答案:B
21、(单选题)以直线拟合廓形曲线时,容许的拟合误差等于零件尺寸公差的()。
A 1
B 1/2~1/3
C 1/5~1/10
D 43120
正确答案:C
22、(单选题)加工坐标系在()后不被破坏(再次开机后仍有效),并与刀具的当前位置无关,只要按选择的坐标系编程。
A 工件重新安装
B 系统切断电源
C 机床导轨维修
D 停机间隙调整
正确答案:B
23、(判断题)()新产品的试制与鉴定工作,是成批、大量生产的一项重要准备工作。设计和工艺准备中所存在的不足,只有通过试制和鉴定才能暴露。
正确答案:正确
24、(多选题)步进电机分为()。
A 磁阻式
B 激磁式
C 感应子式
D 直线电机
E 新型步进电机
正确答案:ABCE
25、(单选题)所谓联机诊断,是指数控计算机中的()。
A 远程诊断能力
B 自诊断能力
C 脱机诊断能力
D 通信诊断能力
正确答案:B
26、(判断题)硬质合金是耐磨性好、耐热性高、抗弯强度和冲击韧性较高的刀具材料。
正确答案:错误
27、(多选题)关于诚实守信的说法,你认为正确的是()。
A 诚实守信是市场经济法制
B 诚实守信是企业的无形资产
C 诚实守信是为人之本
D 奉行诚实守信的原则在市场经济中必定难以立足
E 诚实守信要因人而异,以善还善,以恶还恶
正确答案:ABC
28、(单选题)定子和转子都分为5段,呈轴向布置,其上均有16个齿,故齿距为5°,步距角为750,旋转半周需要()脉冲。
A 240
B 120
C 15
D 80
正确答案:A
29、(主观题)翻译题:(根据要求作答,要求字迹工整)|Some machines used for milling have a spindle which is tilted slightly in the direction of feed to ensure that the cutter does not lie flat to the workpiece. This tile (q) may be around 0.1mm per 1000 mm. The main reason for the tilt is to prevent the milling cutter from back cutting, which can ruin a good surface finish by producing surface marks, which are of different heights and opposite in direction to the normal feed. Machining centres and other multi-purpose machines often have no spindle tilt and therefore back cutting is normal and usually unavoidable. Even with the proper spindle tilt, back cutting problems can arise due to workpiece or spindle deflection. This can be combated through:|(1)Improved workpiece support|(2)Change to a positive cutter to reduce cutting forces|(3) Check cutter mounting for burs, dirt or misalignment|(4)Reduce forces by either reducing feed, depth of cut, width of cut or by increasing cutting speed.|(5)Change to a larger entering angle to reduce axial forces|(6)Reduce spindle overhang to a minimum
正确答案:用于铣削加工的机床有一个与进给方向稍微倾斜的轴,它确保了刀刃与工件不平行。这个倾斜长度q可能大概是0.1mm/1000mm。倾斜的主要原因是防止铣刀从后面切削,产生与正常进给时不同高度和相反方向的表面痕迹,直接破坏好的表面质量。机械加工中心和其它的多功能机床通常不存在主轴倾斜,因此,顶部切槽是正常的,通常也是不可避免的。甚至于存在适当的主轴倾斜时,由于工件或主轴偏斜,顶部切槽问题也可能发生。可以通过以下方法来改变这种情况:|(1)改进工件支撑|(2)换成负角刀具较小切削力|(3)检查刀具安装的间隙,偏差|(4)通过减小进给,切削深度,切削宽度或者增加切削速度来降低力|(5)换成较大的主偏角较少轴向力|(6)减小悬臂梁到最小值
30、(判断题)()线切割加工过程中,当工件与电极丝全接触时,工件与电极丝产生火花放电。
正确答案:错误